Центравтоматика
Производство КИПиА и средств автоматизации

Редуктор высокого давления РВД

Отредактировано 17.12.2019
Редуктор высокого давления РВД-36
РВД-36-П
Редуктор высокого давления РВД-18
РВД-18

Назначение

Редуктор высокого давления РВД предназначен для регулирования и поддержания установленного значения давления воздуха на выходе в линиях питания приборов и средств автоматизации.

Технические характеристики

  • Давление питания сжатым воздухом или сухими неагрессивными газами:
    • для РВД-36 – 17 МПа (170,0 кгс/см2);
    • для РВД-18 – 3,6 МПа (36,0 кгс/см2).
  • Номинальное давление на выходе:
    • для РВД-36 – 3,6 МПа (36,0 кгс/см2);
    • для РВД-18 – 1,8 МПа (18,0 кгс/см2).
  • Редуктор выдерживает пробное давление:
    • для РВД-36 – 20,0 МПа (200,0 кгс/см2);
    • для РВД-18 – 8,0 МПа (80,0 кгс/см2).
  • Допускаемое отклонение выходного давления при изменении входного давления воздуха на ±1,0 МПа – не более чем 0,1 МПа.
  • Допускаемое отклонение выходного давления при изменении расхода на выходе от 1,0 до 15,0 м3/ч – не более чем 0,1 МПа.
  • Класс загрязненности сжатого воздуха на входе – 7 по ГОСТ 17433-80.
  • Габаритные размеры приведены на рисунке в разделе "Монтаж".
  • Масса – не более 1,1 кг.

Условия эксплуатации

  • Температура окружающего воздуха – от -40 до +60 °С.
  • Относительная влажность воздуха – 95% при температуре +35 °С и более низких температурах без конденсации влаги.
  • Вибрационные воздействия с частотой от 10 до 55 Гц и амплитудой смещения не более 0,35 мм.

Исполнения

Редуктор высокого давления РВД выполнен в соответствии с ЦКЛГ.493611.000 ТУ и выпускается в исполнениях, представленных в таблице 1.

Таблица 1. Исполнения редуктора высокого давления РВД
Обозначение исполнения Шифр исполнения Конструктивные особенности Давление питания на входе,
МПа (кгс/см2)
Номинальное давление на выходе,
МПа (кгс/см2)
Редуктор выдерживает пробное давление,
МПа (кгс/см2)
ЦКЛГ.493611.000-00 РВД-36-Л Левостороннее подключение манометра 17,0 (170,0) 3,6 (36,0) 20,0 (200,0)
ЦКЛГ.493611.000-01 РВД-36-П Правостороннее подключение манометра
ЦКЛГ.493611.000-02 РВД-18 3,6 (36,0) 1,8 (18,0) 8,0 (80,0)

Пример записи обозначения редуктора высокого давления РВД с номинальным давлением на выходе 3,6 МПа, с правосторонним подключением манометра при заказе:

Редуктор высокого давления РВД-36-П ЦКЛГ.493611.000-01, ЦКЛГ.493611.000 ТУ

Монтаж

Подключение пневматических линий РВД осуществляется при помощи медных трубок ДКРНМ 10х1,0 НД М2 ГОСТ 11383-75 или трубок из нержавеющей коррозионно-стойкой стали 12Х18Н10Т ГОСТ 9940-81, концы которых развальцованы с углом конуса 74° по ГОСТ 15763-2005.

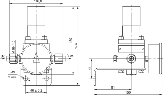
Габаритные и присоединительные размеры редуктора РВД-36 показаны на рисунке 1, РВД-18 - на рисунке 2.

Габаритные и присоединительные размеры редуктора РВД-36
Рис. 1. Габаритные и присоединительные размеры редуктора высокого давления РВД-36.
Габаритные и присоединительные размеры редуктора РВД-18
Рис. 1. Габаритные и присоединительные размеры редуктора высокого давления РВД-18.